两个电阻R1、R2串联于电压为V的电路中,则:
电流I=V/(R1+R2)
电阻1两端的电压:V1=IR1=VR1/(R1+R2)
电阻2两端的电压:V1=IR2=VR2/(R1+R2)
所以:V=V1+V2
所以称串电阻电路为分压电路.
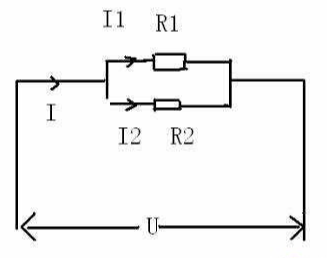
两个电阻R1、R2并联于电流为I的电路中,则:
总电阻R=R1R2/(R1+R2)
总电压V=IR1R2/(R1+R2)
电阻1两端的电流:I1=V/R1=IR2/(R1+R2)
电阻2两端的电流:I2=V/R2=IR1/(R1+R2)
所以:I=I1+I2
所以称并联电阻电路为分流电路。

扩展资料:
串联电路两端的总电压等于各用电器两端电压之和,
即:U=U1+U2
U1∶U2∶U3=IR1∶IR2∶IR3=R1∶R2∶R3
P1∶P2∶P3=IU1∶IU2∶IU3=R1∶R2∶R3
串联电路的特点:
1、电流只有一条通路。
2、开关控制整个电路的通断。
3、各用电器之间相互影响。
4、串联电路电流处处相等:I总=I1=I2=I3=……=In
5、串联电路总电压等于各处电压之和:U原=U1+U2+U3+……+Un
6、串联电阻的等效电阻等于各电阻之和:R总=R1+R2+R3+……+Rn
7、串联电路总功率等于各功率之和:P总=P1+P2+P3+……+Pn【推导式:P1P2/(P1+P2)】
8、串联电容器的等效电容量的倒数等于各个电容器的电容量的倒数之和:1/C总=1/C1+1/C2+……+1/Cn
并联电路中用导线连接在电源两极的任意两点间的电压相等。电路中每个环路中的电流由欧姆定律得出:
电压并联电路中各电阻的电压与总电压相同。
串联的优点:在电路中, 若想控制所有电路, 即可使用串联的电路;
串联的缺点:若电路中有一个用电器坏了,整个电路意味着都断了。
并联的优点:可将一个用电器独立完成工作,一个用电器坏了,不影响其他用电器。适合于在马路两边的路灯。
并联的缺点:若并联电路,各处电流加起来才等于总电流,由此可见,并联电路中电流消耗大。
